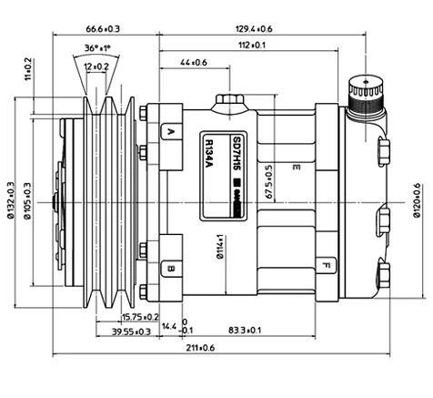
Компресор SD7H15
Опис товару
Compressor Specifications
Bore Діаметр поршня |
Ø29.3 |
Stroke хід поршня |
32.8 mm |
Displacement Per Revolution Об'єм циліндрів |
154.98 cc/rev |
Number of Cylinders Кількість циліндрів |
7 |
Max. Allowable Continuous Speed |
6000 RPM |
Max. Downshift Speed |
7000 RPM |
Refrigerant Хладогент |
HFC134A |
Oil (SP-20 or Equiv) Обсяг олії |
175 cc |
Rotation (Clutch View)Напрямок обертання |
Clockwise за годинниковою стрілкою |
Clutch Specifications
Rated Voltage Номінальна напруга |
12V / 24V |
Breakaway Torque момент зриву |
3.5 KG-M |
Minimum Engagement Voltage Хв. напруга |
7.5 v Max / 16v Max |
Power Consumption Споживана потужність |
42~50W (AL / CU) |
Max. Allowable Continuous Speed Допустима швидкість |
6000 RPM об/хв |
Max. Downshift Speed Максимальна можлива швидкість |
7000 RPM об/хв |
Belt Type Тип |
A, B, M. PV |
Pulley Diameter Діаметр шківа внутр~зов |
ø119~152 |
Quick Reference
MODEL |
HEAD |
З'єднання (фиттинг) |
VOLT (Напругою) |
GROOVE Профіль шківа |
CLUTCH DIA |
GAUGELINE |
MOUNT кріплення |
8220 |
JE |
VTORing Кільце |
12V |
A2 |
132 mm |
39.55 mm |
Ear вушко |
8126 |
JE |
VTORing Кільце |
24V |
A2 |
132 mm |
39.55 mm |
Ear вушко |
8026 |
JE |
VTORing Кільце |
24V |
PV6 |
119 mm |
46.55 mm |
Ear вушко |
8034 |
JE |
VTORing Кільце |
24V |
B1 |
146 mm |
33.85 mm |
Ear вушко |
Оплата та доставка
- Новая Почта
- Самовывоз
- Автолюкс
- Гюнсел
- Ночной Экспресс
- Повернення і обмін Відповідно до закону України «про захист прав споживачів» ви можете протягом 14 днів з моменту покупки повернути або обміняти товар, придбаний в магазині, за умови виконання всіх норм передбачених законом. Умови обміну / повернення товару належної якості стаття 9. Відповідно до закону України «про захист прав споживачів»: споживач має право обміняти непродовольчий товар належної якості на аналогічний у продавця, у якого він був придбаний, якщо товар не задовольнив його за формою, габаритами, фасоном, кольором, розміром або з інших причин не може бути ним використаний за призначенням. Споживач має право на обмін товару належної якості протягом чотирнадцяти днів, не рахуючи дня покупки. споживач (термін вживається в такому значенні згідно статті 1. п.22 закону України «про захист прав споживачів») – фізична особа, яка купує, замовляє, використовує або має намір придбати чи замовити продукцію для особистих потреб, не пов’язаних з підприємницькою діяльністю або виконанням обов’язків найманого працівника. обмін або повернення товару належної якості провадиться: якщо не використовувався; якщо збережено його товарний вигляд, споживчі властивості, пломби, ярлики; на підставі розрахунковий документ, виданий споживачеві разом з проданим товаром. умови обміну / повернення товару неналежної якості стаття 8. Згідно із законом України «про захист прав споживачів»: в разі виявлення протягом встановленого гарантійного строку недоліків споживач, в порядку та в строки, встановлені законодавством, має право вимагати безоплатного усунення недоліків товару в розумний строк. вимоги споживача, передбачених цією статтею, не підлягають задоволенню, якщо продавець, виробник (підприємство, що задовольняє вимоги споживача, встановлені частиною першою цієї статті) доведуть, що недоліки товару виникли внаслідок порушення споживачем правил користування товаром або його зберігання. Споживач має право брати участь у перевірці якості товару особисто або через свого представника.
- Безналичный расчёт
- Наличный расчёт
- Наложенный платеж
- Предоплата

